WELCOME TO JIM WEIR'S

 Kitplanes Web Page

 

Kitplanes

July '02

Title

Simple Flasher

 

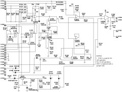
KPschthumb.jpg (6094 bytes)
Click on schematic to download (pdf format) Click to download PCB artwork  and schematic (if any)  in Circuitmaker and Traxmaker format.    (zip file)

 

IMAGES (click on image to download)

The entire circuit fits very easily
into the smallest Radio Shack
box that is available.
Be sure that the capacitors are
rated for the voltage that you
are using. (see text)
There is no image 3 this month
There is no image 4 this month There is no image 5 this month There is no image 6 this month
There is no image 7 this month There is no image 8 this month There is no image 9 this month
There is no image 10 this month There is no image 11 this month There is no image 12 this month

 

Download The Full Text In PDF Format

Download The Parts List In PDF Format

Download  The Oopsie Page In PDF Format

 

Return to Home Page

Jim Weir
jim@rst-engr.com

12 August 2002