WELCOME TO JIM WEIR'S
September '99 Kitplanes Web Page
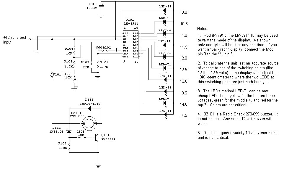
| Kitplanes September 1999 |  | Battery Tester & Voltmeter | 
Click on schematic to download (wmf format) Click on schematic to download (jpg format) There are no Aux Images this month. 
IMAGES (click on image to download)
Download The Full Text In Word Format
Download The Parts List In Word Format
Download The Oopsie Page In Word Format
Jim Weir
  jim@rst-engr.com
28 December 1999